Bản vẽ Thiết kế thi công nhà phố 3 tầng 4x12.5m

Ngày đăng: 17/04/2024 - Người đăng: Phan Công Khả - Lượt xem: 2166 - Đánh giá: 5 /5

Danh mục

Nhà phố 3 tầng

Thể loại

Nhà bê tông cốt thép

Công cụ

Hạng mục

Mô tả ngắn

Kiến trúc, Kết cấu, Điện, Nước

Kích cỡ

Chiều dài: 4m - Chiều rộng: 12.5m - Diện tích: 50m2

File download

Tệp tinwww.thuvienbanveso.vn

Hoàn lại 100% giá trị nếu file tải bị lỗi hoặc không đúng mô tả của người bán

Mô tả chi tiết

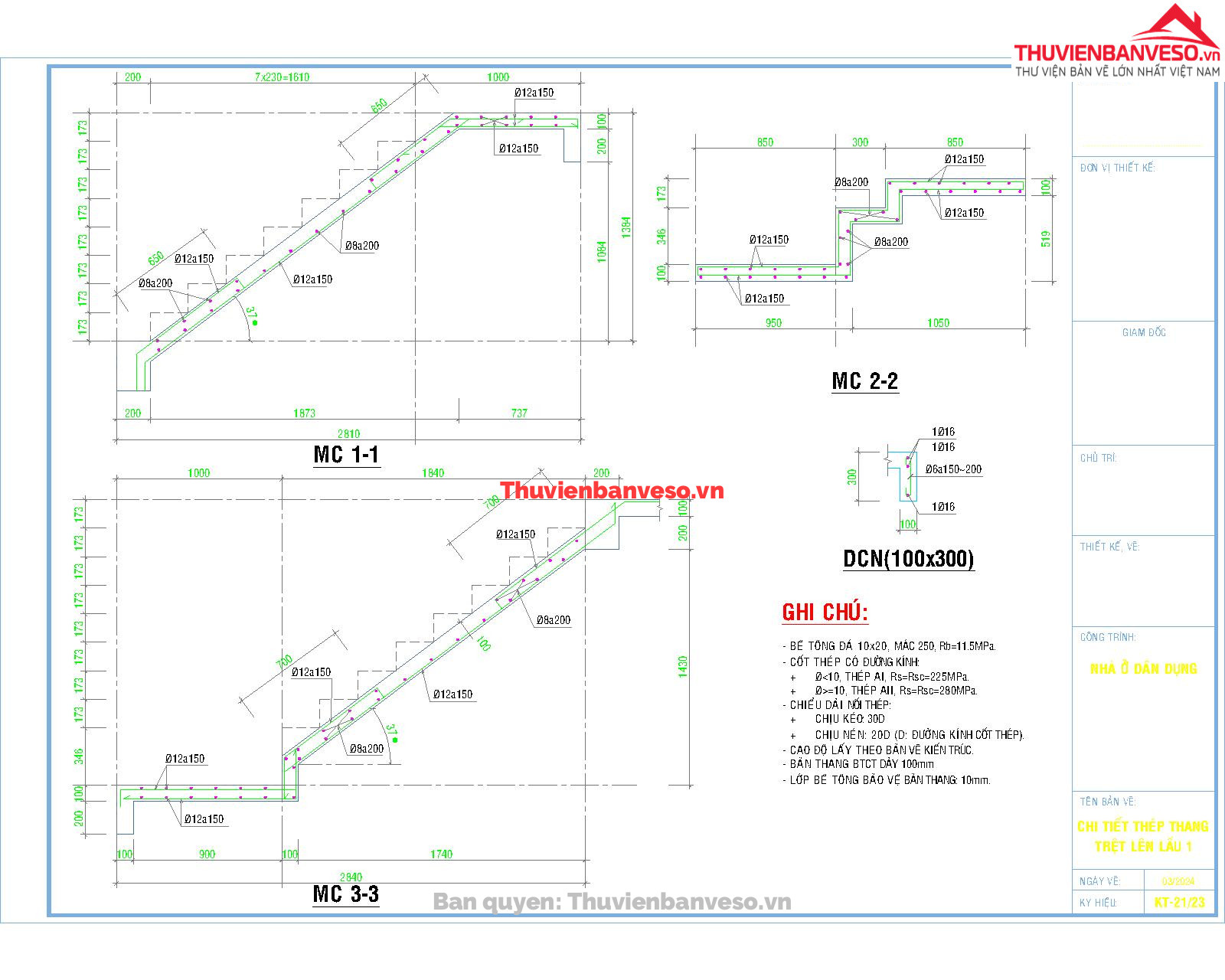
Bản vẽ thiết kế đầy đủ từ kiến trúc, kết cấu, điện và cấp thoát nước nhà phố 3 tầng, (4x12,5m. Thể hiện chi tiết các mặt bằng bố trí kiến trúc, mặt bằng móng, đà kiềng, dầm sàn. Bố trí thép dầm, thép sàn và thép cầu thang. Phần điện thể hiện chi tiết các mặt bằng bố trí chiếu sáng và cấp nguồn, ổ cắm. Phần cấp thoát nước thể hiện chi tiết các mặt bằng cấp thoát nước.

Thống kê đánh giá (0 lượt)

Trung bình

- Bản vẽ bình thường (10)
- Bản vẽ hay (0)
- Bản vẽ rất hay (0)
- Bản vẽ tốt (3)
- Bản vẽ rất tốt (25)

Bình luận (0)

Chưa có bình luận !!!

Bình luận bản vẽ

Bản vẽ liên quan

Bản vẽ KIẾN TRUC, KẾT CẤU NHÀ AN YÊN

KIẾN TRUC, KẾT CẤU NHÀ AN YÊN

Lê Cao Gia Kiệt

0

Bình luận
Lượt xem
Lượt tải
Giá: 5,000 VND
Nhà phố 2 tầng
Bản vẽ Bản vẽ nhà phố 2 tầng 5x22m

Bản vẽ nhà phố 2 tầng 5x22m

KTS Duy Pro

0

Bình luận
Lượt xem
Lượt tải
Giá: 30,000 VND
Nhà phố 2 tầng
Bản vẽ Bản vẽ nhà phố 3 tầng mái thái KT 6.5 x 17m full kiến trúc, dự toán

Bản vẽ nhà phố 3 tầng mái thái KT 6.5 x 17m full kiến trúc, dự toán

KTS Duy Pro

0

Bình luận
Lượt xem
Lượt tải
Giá: 40,000 VND
Nhà phố 3 tầng
Bản vẽ Bản vẽ nhà cấp 4 kích thước 9.6x22m full kiến trúc, kết cấu

Bản vẽ nhà cấp 4 kích thước 9.6x22m full kiến trúc, kết cấu

KTS Duy Pro

0

Bình luận
Lượt xem
Lượt tải
Giá: 40,000 VND
Biệt thự 1 tầng
Bản vẽ Bản vẽ nhà cấp 4 kích thước 7x19m

Bản vẽ nhà cấp 4 kích thước 7x19m

KTS Duy Pro

0

Bình luận
Lượt xem
Lượt tải
Giá: 20,000 VND
Nhà phố 1 tầng
Bản vẽ Nhà phố 2 tầng 8x18m full kiến trúc, kết cấu

Nhà phố 2 tầng 8x18m full kiến trúc, kết cấu

KTS Duy Pro

0

Bình luận
Lượt xem
Lượt tải
Giá: 30,000 VND
Nhà phố 2 tầng
Bản vẽ Bản vẽ nhà phố 3 tầng 6x16m full kiến trúc, kết cấu

Bản vẽ nhà phố 3 tầng 6x16m full kiến trúc, kết cấu

KTS Duy Pro

0

Bình luận
Lượt xem
Lượt tải
Giá: 40,000 VND
Nhà phố trên 3 tầng
Bản vẽ Bản vẽ nhà liền kề goldsilk complex 5x15m cao 5 tầng full kiến trúc, kết cấu (có phối cảnh)
Nhà phố trên 3 tầng
Bản vẽ Bản vẽ kiến trúc nhà phố 4 tầng 3x12m (có phối cảnh)

Bản vẽ kiến trúc nhà phố 4 tầng 3x12m (có phối cảnh)

KTS Duy Pro

0

Bình luận
Lượt xem
Lượt tải
Giá: 20,000 VND
Nhà phố trên 3 tầng
Bản vẽ Bản vẽ nhà liền kề 3 tầng 6x17m

Bản vẽ nhà liền kề 3 tầng 6x17m

KTS Duy Pro

0

Bình luận
Lượt xem
Lượt tải
Giá: 30,000 VND
Biệt thự 3 tầng
s

Bản vẽ gợi ý

Bản vẽ Nhịp 15m nên làm cầu hay cống – So sánh các phương án tối ưu nhất hiện nay
Cầu
Bản vẽ 5 Phương Án Thiết Kế Cầu – Cống Nhịp 12m Đang Được Áp Dụng Nhiều Nhất Hiện Nay
Cầu
Bản vẽ KIẾN TRUC, KẾT CẤU NHÀ AN YÊN

KIẾN TRUC, KẾT CẤU NHÀ AN YÊN

Lê Cao Gia Kiệt

0

Bình luận
Lượt xem
Lượt tải
Giá: 5,000 VND
Nhà phố 2 tầng
Bản vẽ bản vẽ BPTC nhà cao tầng_ Cốp pha Nhôm

bản vẽ BPTC nhà cao tầng_ Cốp pha Nhôm

lộc lê

0

Bình luận
Lượt xem
Lượt tải
Giá: 20,000 VND
Chung cư
Bản vẽ Hồ Sơ Thiết Kế Cầu Nhịp 9m – 4 Phương Án Phổ Biến + Bản Vẽ AutoCAD
Cầu
Bản vẽ Bản vẽ cầu dầm T 1 nhịp 33m khổ cầu 7m đầy đủ các hạng mục
Cầu
Bản vẽ Bản vẽ cầu dầm bản 3 nhịp 24m khổ cầu 57m đầy đủ các hạng mục
Cầu
Bản vẽ Bản vẽ cầu dầm T 1 nhịp 18m khổ cầu 8m đầy đủ các hạng mục
Cầu
Bản vẽ Bản vẽ cầu dầm bản 1 nhịp 24m khổ cầu 13m đầy đủ các hạng mục
Cầu
Bản vẽ Bản vẽ cầu dầm bản 1 nhịp 24m khổ cầu 13m đầy đủ các hạng mục
Cầu